ЖК «Лайм»

ЖК «Лайм» — пример откровенно контекстно слепого проектирования. Комплекс явно не вписывается в окружающую застройку: ни по масштабу, ни по пластике, ни по логике формирования городской среды. Проект выполнен без попытки анализа сложившегося района и его архитектурного языка.
Фасадное решение примитивно и невыразительно. Отсутствует работа с ритмом, глубиной и деталями — здание воспринимается как крупный, тяжёлый объём с формальной оболочкой. Так называемые цветовые акценты зелёного цвета в нишах не усиливают архитектуру, а лишь подчёркивают её слабость, выглядя случайно и дисгармонично. Вместо осмысленного образа — декоративный приём уровня визуального камуфляжа.
Ниши и «зигзагообразная» форма не работают ни функционально, ни композиционно. Они не формируют среду, не создают сценариев использования и не взаимодействуют с городом. Это имитация архитектурного жеста без содержательного наполнения.
В результате комплекс воспринимается как чужеродное тело, внедрённое в район исключительно из соображений освоения объёма. Отсутствие уважения к контексту, слабая архитектурная проработка и декоративные цветовые решения делают проект наглядным примером профессиональной несостоятельности в части архитектурного мышления, а не полноценной работы с городской средой.
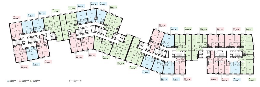
Используются типовые планировочные решения с большим количеством квартир на этаже, что напрямую сближает проект с массовым жильём, несмотря на заявленный бизнес-класс.
Планировочная структура построена по коридорному принципу: протяжённые внутридомовые коммуникации, высокая плотность квартир и минимальная дифференциация типологий. Такое решение ориентировано на оптимизацию продаваемой площади, а не на качество жилой среды и уровень приватности.
Количество квартир на этаже избыточно для данного сегмента. Это снижает ощущение индивидуальности жилья, увеличивает нагрузку на лифтовые холлы и эвакуационные пути и формирует среду, по своему характеру ближе к крупнопанельным или эконом-проектам прошлых десятилетий, чем к современному бизнес-классу.
Типовость планировок выражается в повторяемости модулей, стандартных пропорциях помещений и отсутствии гибких сценариев использования пространства. Квартиры проектировались как унифицированный продукт — без попытки создать разнообразие или архитектурную и функциональную иерархию.
В итоге планировочные решения лишь подтверждают общий характер проекта: декларируемый бизнес-класс при фактической логике массовой застройки, где приоритет отдан плотности и экономике, а не качеству проживания.
Визуализации корректно отражали будущий объект, однако это лишь подтверждает системную проблему — изначально низкий уровень архитектурного замысла, а не высокое качество реализации.













